8 800 700 10 13

Прайс
По вашему запросу ничего не нашлось :(
Очистить результаты

Прочитав статью за 8 минут, вы научитесь самостоятельно подбирать муфту упругую втулочно-пальцевую (МУВП) по ГОСТ 21424-93. Вы узнаете, как определить необходимый типоразмер по крутящему моменту и диаметру вала, какой запас прочности закладывать для разных типов оборудования, и как правильно сформулировать заказ, чтобы получить нужное изделие в кратчайшие сроки.

Выбор и расчет муфт МУВП (муфта упругая втулочно‑пальцевая) руководство для инженеров и снабженцев.

1. Назначение и область применения МУВП

2. Конструкция и условное обозначение (маркировка)

3. Технические характеристики и размерный ряд

4. Алгоритм выбора муфты МУВП

5. Практический пример подбора (по ГОСТ 21424-93)

6. Типичные ошибки при выборе.

7. Чек-лист: что указать при заказе

8. Часто задаваемые вопросы 

9. Рекомендуемая литература и ГОСТы

Заключение

Муфта упругая втулочно-пальцевая (МУВП) — наиболее распространённый тип соединительных муфт в общем машиностроении. Предназначена для передачи крутящего момента между соосными валами, компенсации небольших монтажных смещений (осевых, радиальных и угловых) и смягчения ударных нагрузок и вибраций благодаря упругим резиновым элементам.
ГОСТ 21424-93 распространяется на муфты с номинальным крутящим моментом от 6,3 до 16 000 Н·м для соединения валов диаметром от 9 до 160 мм. Основная область применения — соединение электродвигателей с редукторами, насосами, компрессорами, конвейерами и другим оборудованием.

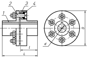
Конструкция МУВП проста и надёжна. Она состоит из двух полумуфт (обычно чугунных), стальных пальцев и упругих резиновых втулок (гофрированных или гладких), которые работают на сдвиг и смятие.

Условное обозначение муфты регламентируется ГОСТ 21424-93 и содержит важную информацию о типоразмере и исполнении.
*Пример расшифровки: МУВП-250-40-1-У3 расшифровывается как:*
• МУВП — муфта упругая втулочно-пальцевая;
• 250 — номинальный крутящий момент, Н·м;
• 40 — диаметр отверстия под вал, мм;
• 1 — исполнение полумуфт (1 — с цилиндрическим отверстием для длинных концов валов, 2 — с цилиндрическим отверстием для коротких концов валов, 3 и 4 — с коническими отверстиями);
• У3 — климатическое исполнение (умеренный климат, категория размещения 3).

Муфты МУВП производятся в соответствии с ГОСТ 21424-93. Ниже приведены основные параметры для выбора. Ряд 1 диаметров является предпочтительным.
Таблица 1. Основные параметры муфт МУВП (выборка по размерному ряду)

Процесс выбора муфты сводится к проверке трёх основных условий. Рассмотрим их по шагам.
Шаг 1. Сбор исходных данных
Для расчёта необходимо знать:
• мощность на валу (P, кВт) или крутящий момент (T_ном, Н·м);
• частоту вращения (n, об/мин);
• диаметры соединяемых валов (d₁, d₂, мм);
• характер нагрузки (равномерная, с умеренными толчками, ударная).
Шаг 2. Определение расчётного крутящего момента
Муфта выбирается не по номинальному моменту механизма, а по расчётному моменту с учётом динамики работы. Расчёт ведётся по формуле:
T_расч = T_ном × K_реж
где:
• T_ном — номинальный длительный момент на валу (как правило, момент от электродвигателя);
• K_реж — коэффициент режима работы (коэффициент динамичности).
Выбор коэффициента режима (K_реж)
Значение коэффициента зависит от типа приводной машины:
• 1,0 – 1,2 — равномерная нагрузка (ленточные конвейеры, вентиляторы, насосы, генераторы);
• 1,3 – 1,5 — переменная нагрузка, умеренные толчки (поршневые компрессоры, цепные конвейеры, смесители);
• 1,6 – 2,0 — тяжёлые ударные нагрузки (дробилки, молоты, прокатные станы, экскаваторы).
Шаг 3. Подбор муфты по крутящему моменту
Из таблицы 1 выбираем муфту, для которой выполняется условие:
T_расч ≤ [T]
где [T] — табличное значение номинального крутящего момента муфты.
Шаг 4. Подбор по диаметру вала
Диаметр вала должен входить в диапазон посадочных отверстий для данного типоразмера муфты (см. графу «Диаметры валов» в таблице 1). Например, для МУВП-250 максимальный диаметр вала составляет 45 мм.
Шаг 5. Проверка по частоте вращения
Рабочая частота вращения не должна превышать максимально допустимую для выбранного типоразмера. Например, для МУВП-250 предельная частота — 3780 об/мин.

Условие: Необходимо подобрать муфту для соединения вала электродвигателя (d₁ = 48 мм) и вала редуктора ленточного конвейера (d₂ = 45 мм). Мощность двигателя P = 15 кВт, частота вращения n = 1500 об/мин. Нагрузка равномерная.
Решение:
1. Исходные данные: d₁ = 48 мм, d₂ = 45 мм, P = 15 кВт, n = 1500 об/мин.
2. Номинальный момент:
T_ном = 9550 × P / n = 9550 × 15 / 1500 = 95,5 Н·м.
3. Расчётный момент: Для ленточного конвейера (равномерная нагрузка) принимаем K_реж = 1,2.
T_расч = 95,5 × 1,2 = 114,6 Н·м.
4. Выбор по моменту: Ближайший больший момент в размерном ряду — 125 Н·м (МУВП-5). Однако проверяем диаметры.
5. Проверка по диаметру: Муфта МУВП-125 допускает расточку отверстий до 30 мм (см. таблицу). В нашем случае диаметры валов 48 и 45 мм — это значительно больше допустимого.
6. Корректировка выбора: Переходим к следующему типоразмеру — МУВП-250. Он допускает расточку отверстий до 45 мм. Условие по диаметру для вала 45 мм выполняется, а для вала 48 мм — нет. Для вала 48 мм требуется муфта МУВП-500, которая допускает диаметры до 56 мм.
7. Проверка по частоте: Для МУВП-250 n_max = 3780 об/мин > 1500 об/мин. Для МУВП-500 n_max = 3600 об/мин > 1500 об/мин. Условие выполнено для обоих вариантов.
8. Итог:
o Если оба вала имеют диаметр 45 мм, выбираем МУВП-250 с расточкой полумуфт под 45 мм.
o Если один из валов 48 мм, выбираем МУВП-500 с расточкой под 48 и 45 мм соответственно.

Даже опытные специалисты иногда допускают просчёты. Самые распространённые из них мы разобрали в отдельной статье [ссылка на статью «Типичные ошибки при эксплуатации МУВП»], но основные стоит упомянуть:
• Ошибка 1: Подбор муфты только по диаметру вала, игнорируя крутящий момент. Это приводит к быстрому разрушению резиновых втулок.
• Ошибка 2: Использование номинального момента вместо расчётного (забыли про коэффициент K_реж). В результате при пусках или перегрузках муфта выходит из строя.
• Ошибка 3: Несоосность валов превышает допустимые значения, что вызывает вибрацию и ускоренный износ.

Чтобы получить именно то, что нужно, и мы могли отправить вам муфту в день заявки, при обращении подготовьте следующие данные:
1. Тип муфты: МУВП.
2. Типоразмер (момент): например, 250 (означает момент 250 Н·м).
3. Диаметр отверстия под первый вал: ___ мм (в пределах, допустимых для данного типоразмера).
4. Диаметр отверстия под второй вал: ___ мм (если они разные).
5. Исполнение: 1 (цилиндр для длинных валов), 2 (цилиндр для коротких валов), 3 или 4 (конические отверстия).
6. Наличие шпоночных пазов: по умолчанию выполняются по ГОСТ 23360.
Напоминаем: мы производим муфты МУВП с номинальным моментом от 125 до 16 000 Н·м. Изделия меньших моментов (6,3–63 Н·м) можем предложить под заказ.

• Вопрос: Какие муфты МУВП вы производите?
Ответ: Мы производим муфты МУВП с номинальным крутящим моментом от 125 до 16 000 Н·м, полностью соответствующие ГОСТ 21424-93. Муфты меньших типоразмеров (от 6,3 Н·м) можем предложить под заказ.
• Вопрос: Какой максимальный диаметр вала для МУВП-250?
Ответ: Максимальный диаметр посадочного отверстия для МУВП-250 составляет 45 мм.
• Вопрос: Чем отличается МУВП от МУВПТ?
Ответ: МУВПТ — тормозная муфта. Она имеет удлинённую полумуфту для установки тормозного шкива. В остальном конструкция идентична.

Для более глубокого изучения вопроса рекомендуем ознакомиться с оригинальными текстами нормативных документов:
• ГОСТ 21424-93 «Муфты упругие втулочно-пальцевые. Параметры и размеры».
• Справочник по муфтам (под ред. А.А. Ряховского).
• ГОСТ 12080-66 «Концы валов цилиндрические. Основные размеры, допускаемые крутящие моменты».
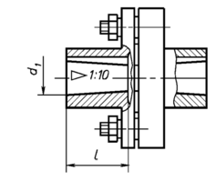
• ГОСТ 12081-72 «Концы валов конические с конусностью 1:10. Основные размеры. Допускаемые крутящие моменты».​

Выбор муфты МУВП — стандартная инженерная задача, которая решается за несколько минут при наличии исходных данных и понимания алгоритма. Следуя приведённой инструкции, вы гарантированно подберёте надёжное и долговечное соединение для вашего оборудования.
Если у вас остались вопросы или вам нужна консультация по нестандартному применению муфт МУВП, наши специалисты всегда готовы помочь.


Более подробные ответы вы найдёте в нашем разделе FAQ.


Прочитать документы можно в разделе ГОСТы и литература.

Полумуфты исполнений 1 и 2.



1 - Полумуфта.
2 - Палец.
3 - Распорная втулка.
4 - Упругая втулка
Полумуфты исполнений 3 и 4.
Проблемы и неисправности 
Обслуживание и ремонт муфт МУВП
Применение муфт
в промышленности
Особенности установки муфт
Преимущества муфт МУВП
Выбор и расчет муфт МУВП

ДРУГИЕ СТАТЬИ

Главная
О компании
Вакансии
Контакты
Муфты упругие втулочно-пальцевыеМУВП
Полумуфты МУВП на вал  эл.двигателя
Полумуфты МУВП на вал  редуктора
Пальцы для муфт МУВП
Упругие кольца для муфт МУВП
Сделано нашими руками
Почему покупают у нас
Вопрос-ответ
Новости
ГОСТы и литература
Полезные статьи
8 800 700 10 13
463535@LIST.RU
Доставка
Гарантия